测试
 
 
CMS,免费CMS,免费开源Java CMS,CMS系统,Java CMS,CMS内容管理系统,企业CMS,HTML网页模板,CMS模板,CMS源码,网站源码,信创系统软件,安可系统,网站建设,模板网站,建站模板,建站工具,建站平台,建站工具

公司产品

MESH自组网 远距离无线传输 无线覆盖系列 通信模块系列 天馈线配件 太阳能供电系统
Mini无人机图传模块

HT-SDR-1400-27是中讯慧通科技自主研发,采用软件无线电(SDR)架构实现MESH组网。搭配不同功率的功放实现不同距离的使用。

支持MESH组网,支持最大20MHz带宽,支持最大吞吐量47mbps,支持智能选频,支持AES256,支持增距模式。

 

特 征

 ·支持MESH组网网

 ·支持27dBm、30dBm、36dBm、40dBm、46dBm等多种最大输出功率

 ·支持5MHz、10MHz、20MHz带宽

 ·支持1.4G频段(定制化产品)

 ·最远可以支持500km距离传输

 ·支持自动频点控制

 ·提供2个以太网口

 ·提供3个串口:2个RS232电平,1个3.3VTTL电平

应用

 ·无人系统自组网通信

 ·海上远距离无线传输

 ·点对多点中距离通讯

 ·电力、水文巡线观测

 ·消防、安保应急通讯

典型额定值


规格型号

供电电压范围(V)

最大整机功耗(W)

最大发射功率(dBm)

HT-SDR-1400-30

18-28

15±5

30

HT-SDR-1400-36

24-28

45±10

36

HT-SDR-1400-40

24-28

80±20

40

HT-SDR-1400-46

24-28

180±25

46


频段配置:

HT-SDR-1400-XX支持多种频段,用户不可擅自更改。

频段

频带范围

1.4G

1350~1450MHz

TBD

TBD

*出厂可提供1.4G已固化频段配置。


发射功率:

HT-SDR-1400-XX提供多种最大输出功率版本,需根据实际应用场景选择合适的功率,功率有30dBm、36dBm、40dBm、46dBm等多种版本。


智能选频:

HT-SDR-1400-XX 支持智能选频,通过全网动态实时频谱检测,各节点根据所处电子环境,干扰等因素,在预先设定的频率列表种只能动态调整自身工作频率,实现智能动态异频组网,有效自动躲避干扰。


带宽配置:

HT-SDR-1400-XX支持5M、10M、20M带宽配置。 


传输距离:

HT-SDR-1400-XX支持软件距离限制,最远支持500KM,需根据实际应用场景选择限制。


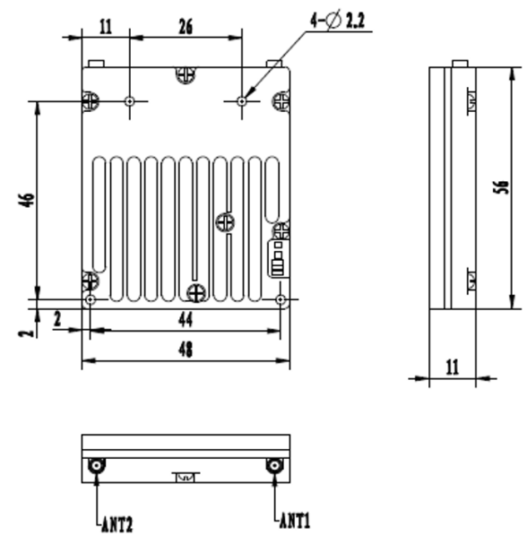
接口参数与指示灯:

HT-SDR-1400-XX 数字接口面朝下,指示灯面左起依次为:

双色灯1:绿色为电源指示灯,电源正常亮绿灯;红色为FPGA程序下载完毕灭灯。

双色灯2:信号强度指示灯,从强到弱依次为绿色,黄色,红色,无。

双色灯3:建链指示灯:绿色表示建链,红色表示断链

双色灯4:网口1指示灯

双色灯5:网口2指示灯

 

HT-SDR-1400-XX 数字接口朝下,指示灯面左起依次为:

电源:XT30PW-M封装,GND、VCC,供电接口

网口1:PH2.0-4封装,RX-、RX+、TX-、TX+ ,10/100M以太网接口

网口2:PH2.0-4封装,RX-、RX+、TX-、TX+ ,10/100M以太网接口

双串口:PH2.0-6封装,R1、GND、T1、R0、GND、T0,双RS232电平

单串口:PH2.0-3封装,R2、GND、T2,TTL3.3V电平


带宽灵敏度速率表:

20MHz带宽

MCS

0

1

2

3

4

5

6

7

8

单天线灵敏度(dBm)

-101

-98

-95

-92

-88

-86

-83

-80

-77

双天线灵敏度(dBm)

-104

-101

-98

-95

-91

-89

-86

-83

-80

信噪比(dB)

-8

-5

-2

4

7

10

13

16

19

UDP灌包

(Mbps)

10KM距离模式

1.5

3.2

6.4

13

20

26

33

40

47

30KM距离模式

1.4

2.9

5.9

12

18

24

31

37

43

50KM距离模式

1.3

2.7

5.5

11

17

22

28

34

40

100KM距离模式

1.1

2.4

4.7

9.6

14

19

24

29

34

150KM距离模式

0.9

1.9

4.0

8.3

12

16

21

25

29

200KM距离模式

0.8

1.7

3.6

7.4

11

14

18

22

26

250KM距离模式

0.7

1.5

3.2

6.6

10

13

16

20

23

300KM距离模式

0.6

1.4

2.9

6.0

9.1

12

15

18

21

400KM距离模式

0.5

1.1

2.4

5.0

7.6

10

12

15

18

500KM距离模式

0.4

1.0

2.1

4.3

6.6

8.8

11

13

15

注:1、10MHz带宽的业务速率是20MHz带宽的约一半,5MHz带宽的业务速率是20MHz带宽的约四分之一

1747272734207.png


产品规格书:HT-SDR-1400-27.pdf

上一篇:没有了
微信二维码
中讯慧通